屏蔽式管道離心泵簡稱為屏蔽泵,屬于離心泵的一種結構形式。屏蔽式管道離心泵型號有很多,屏蔽式管道泵型號不同,流量、揚程等型號性能參數也會有所差異。屏蔽式管道離心泵為立式結構,有很多配件組成。以下由本公司小編為您講解屏蔽式管道離心泵型號與結構。
屏蔽式管道離心泵型號意義
PBG50R-200(Ⅰ)A(B)(C)
PBG-屏蔽式管道離心泵
50-泵進出口直徑50mm
R-流體類別(普遍型無需備注,熱水是R,腐蝕性流體是P)
200-葉輪名義外徑(mm)
(Ⅰ)-流量分類
A-葉輪經過一次切割
(B)-葉輪經過二次切割
(C)-葉輪經過三次切割
屏蔽式管道離心泵結構
屏蔽泵整體采用水泵和電機一體化構成,沒有軸密封,只有靜密封形式,可以做到零泄漏。因為維護成本比其他類型水泵低很多,備受用戶所喜愛。
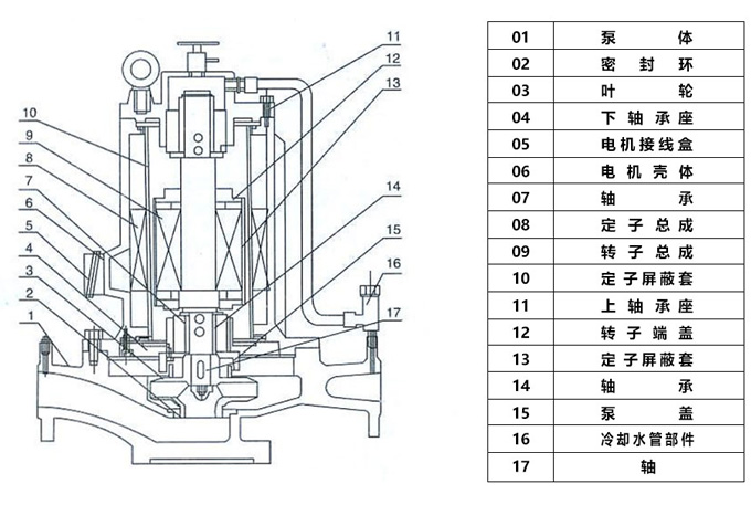
從屏蔽式管道離心泵的結構圖中可以看出離心泵的配件由許多配件構成,分別是泵體、密封環、葉輪、下軸承座、電機接線盒、電機殼體、軸承、定子總成、轉子總成、定子屏蔽套、上軸承座、轉子端蓋、泵蓋、冷卻水管部件、軸等零部件構成。
屏蔽式管道離心泵是經過我們公司科技人員的消化革新后推出的一款新型離心泵產品,在原來的基礎上改善了流體的運行狀態,提高屏蔽式管道泵的效率。屏蔽式管道離心泵型號與結構由離心泵廠家總結。


czl系列單級單吸立式管道離心泵
DG型中低壓高壓次高壓鍋爐給水多級離心泵
CHDF輕型臥式不銹鋼多級離心泵
